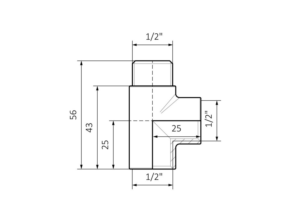
Terma T-kus G 1/2" Chrome
Kód: TER04955Související produkty
SALECODE:RUB2:2:%
Sleva 2% kód RUB2
164 Kč
–3 %
Mapei Čistič Mapei černá BEI9041
Skladem
159 Kč
Novinka
Tip
200 Kč
–19 %
161 Kč
Ravak Turbo Cleaner čistič odpadů pro rozpuštění nečistot usazených v sifonech van, vaniček a umyvadel.• nesmí být použit k čištění výrobků a zejména jejich kovových částí•...
Detailní popis produktu
Terma T-kus je součástka potřebná k předělání vodního ventilu na ventil kombinovaný. Skrz ventil lze napojit topnou tyč a z vodního radiátoru se tak stane radiátor kombinovaný. Závit: G 1/2" POZOR! Ne každý radiátor může mít v sobě zabudovanou topnou tyč. Pro ujištění nás neváhejte kontaktovat.Doplňkové parametry
| Kategorie: | VENTILY |
|---|---|
| EAN: | 5901804353901 |
Buďte první, kdo napíše příspěvek k této položce.
Přidat komentář
.png)