Sapho Závěsný háček na sprchovou zástěnu, zlato mat 1301-08GB
Code: 1301-08GBRelated products
Product detailed description
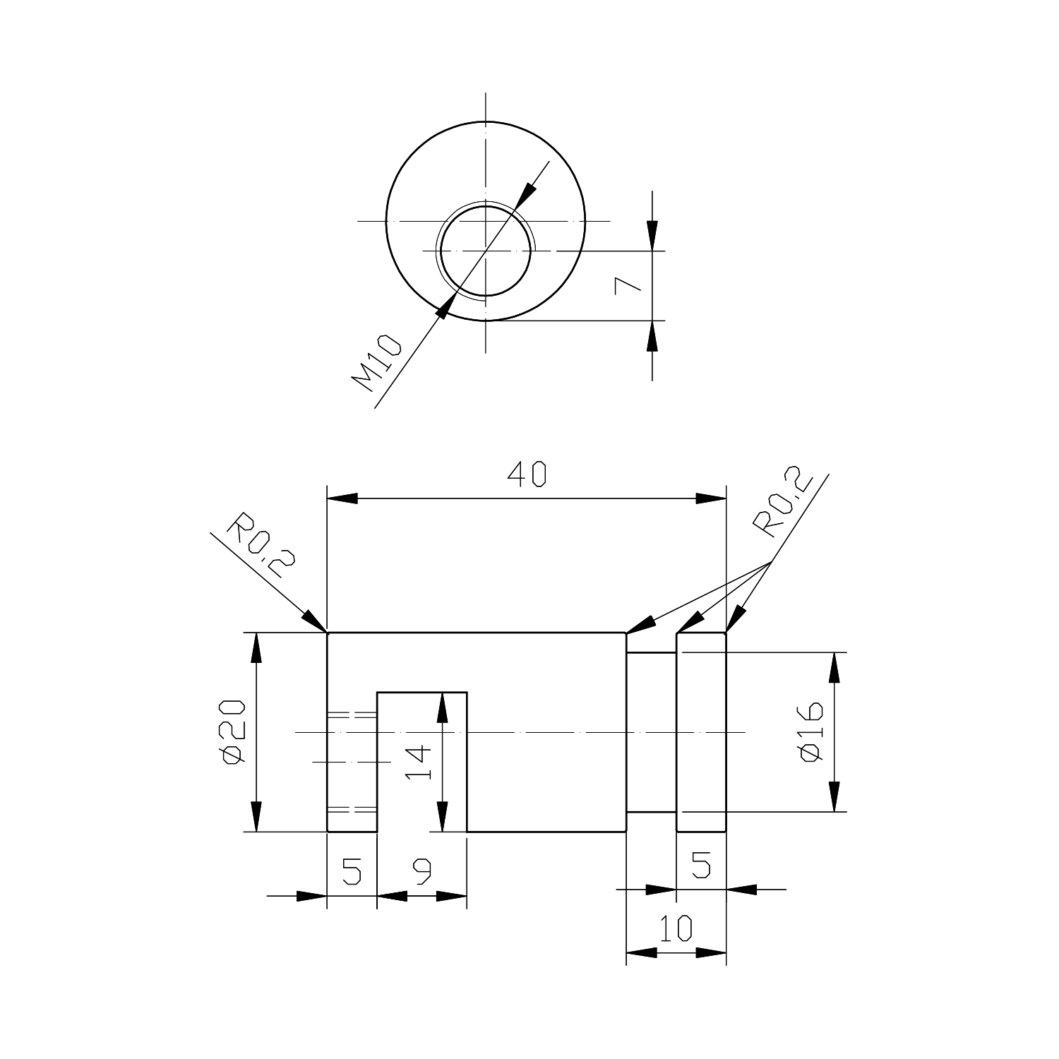
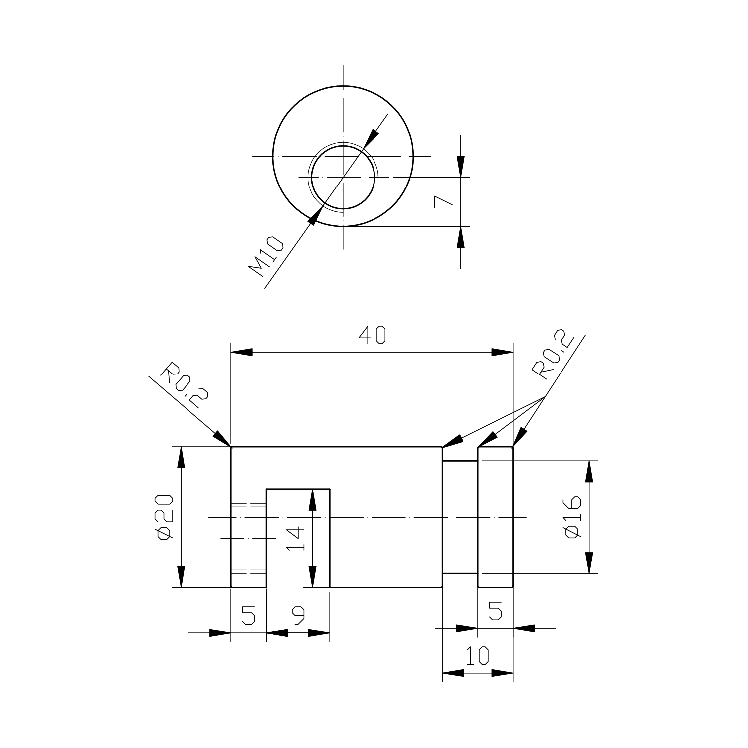
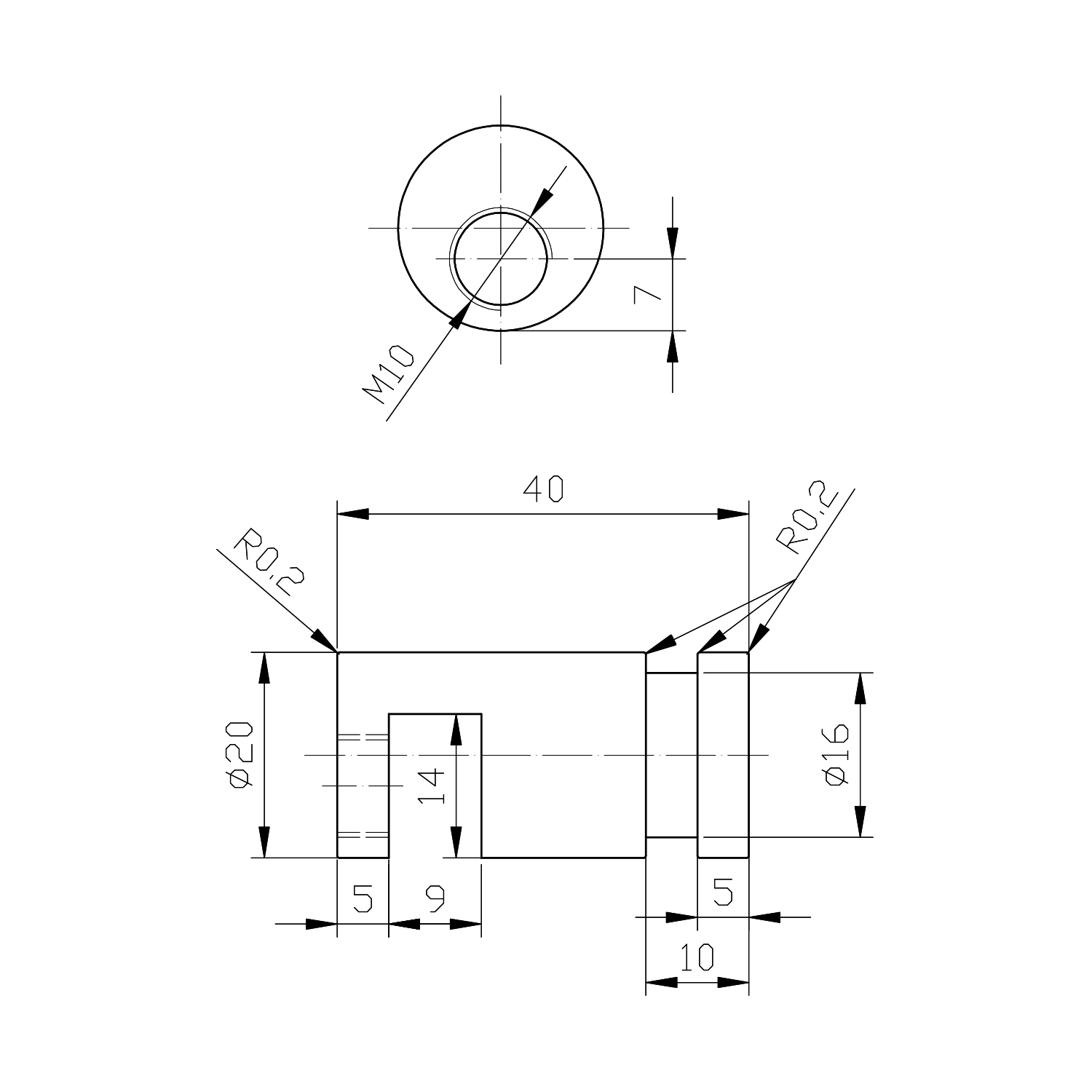
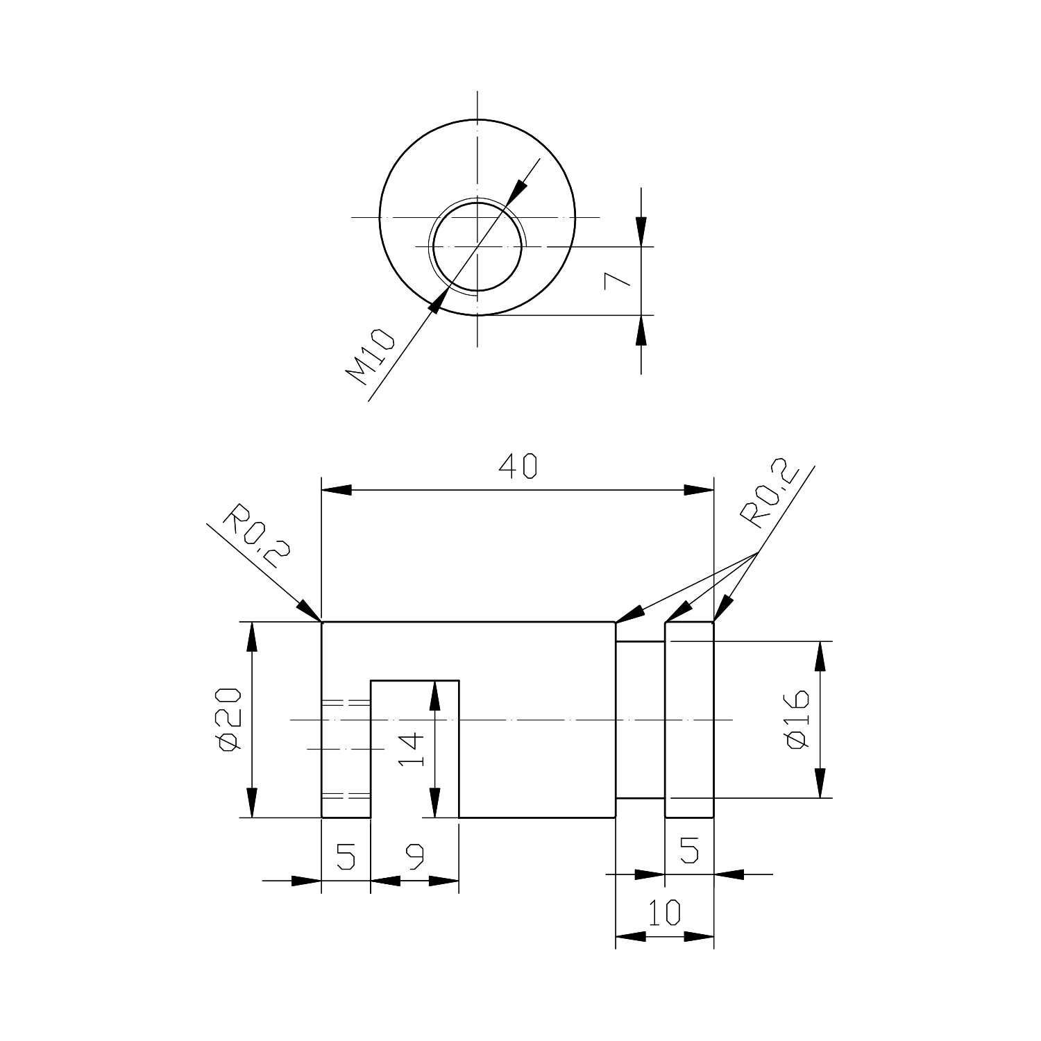
Technický nákres
Popis
- Zavěsí/nasune se na sklo zástěny a pojistí šroubem
- Vhodné pro sklo o tloušťce 6-8 mm
Additional parameters
| Category: | Koupelnové doplňky |
|---|---|
| Warranty: | 144 měsíců |
| Weight: | 0.084 kg |
| EAN: | 8590913964640 |
| Barva: | Zlato mat |
| Materiál: | Mosaz |
| Druh: | Háček |
| Hloubka: | 40 |
| Instalace: | Závěsná |
| Tvar: | Kruhové |
| Počet balení: | 1 |
| Šířka: | 20 |
| Výbava: | PVD povrchová úprava |
| Výška: | 20 |
| Balení: | 1 |
| EAN: | 8590913964640 |
| Hmotnost: | 0.0840 |
| Průměr: | 20 |
| Rozměr: | 20x20x40 mm |
| Taric: | 83025000 |
| Záruka: | 12 let |
| Značka: | SAPHO |
Be the first who will post an article to this item!
Add a comment
.png)